Plans d'une petite bineuse pour la traction asine

Avatar de l’utilisateur
Vincent Bratzlawsky
Messages : 47
Inscription : 28 novembre 2012, 11:37
Contact :

Plans d'une petite bineuse pour la traction asine

Message par Vincent Bratzlawsky »

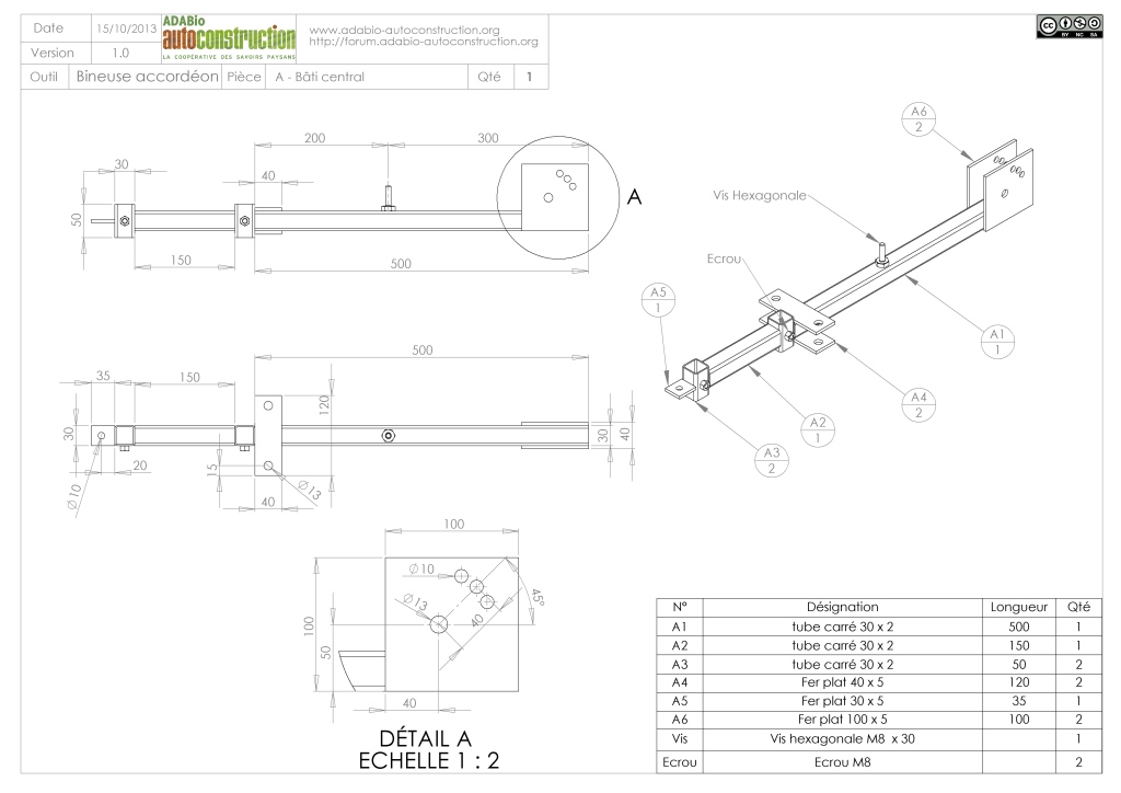
Lors de ma rencontre avec Claude (voir sujet http://forum.adabio-autoconstruction.or ... 147&t=2527) je n'ai pas perdu de temps : j'ai fait une petite mise en plan.
Voici donc les photos et les plans d'une petite bineuse. Elle peut être utiliser avec un âne, mais également avec mules et chevaux.
Pièces jointes
DSCN2538.JPG
DSCN2538.JPG (265.65 Kio) Consulté 4929 fois
DSCN2537.JPG
DSCN2537.JPG (252.97 Kio) Consulté 4929 fois
DSCN2536.JPG
DSCN2536.JPG (265.75 Kio) Consulté 4929 fois
Bineuse  accordeon_1.0_p1.JPG
Bineuse accordeon_1.0_p1.JPG (165.4 Kio) Consulté 4929 fois
Bineuse  accordeon_1.0_p2.JPG
Bineuse accordeon_1.0_p2.JPG (130.19 Kio) Consulté 4929 fois
Bineuse  accordeon_1.0_p3.JPG
Bineuse accordeon_1.0_p3.JPG (128.68 Kio) Consulté 4929 fois
Bineuse  accordeon_1.0_p4.JPG
Bineuse accordeon_1.0_p4.JPG (142.39 Kio) Consulté 4929 fois
Répondre

Revenir à « Traction Animale »

Qui est en ligne ?

Utilisateurs parcourant ce forum : Aucun utilisateur inscrit et 1 invité