Malterie autoconstruite : La piautre

Charles AP
Messages : 19
Inscription : 29 janvier 2018, 10:14
Contact :

Malterie autoconstruite : La piautre

Message par Charles AP »

Lancée depuis déjà 14 ans dans l'ancienne gare de La Ménitrée en Maine-et-Loire (49), la brasserie malterie de la Piautre est une pionnière en ce qui concerne la question de la relocalisation de la production brassicole. De l'orge produit dans la région, une malterie autoconstruite selon le modèle d'Emmanuel Faucillon pour une bière biologique essentiellement vendue en Anjou et de plus en plus appréciée. Aujourd'hui, c'est un whisky totalement local qu'ils rajoutent à leur gamme et ils ne s'arrêteront pas là !


Contexte : La Piautre


Parcours :
C'est par la passion du brassage partagée par Vincent et Yann que commence, en 1999, l'épopée de la Fabrique des bières d'Anjou. Initialement, ils cherchent à monter une brasserie sur une gabare, bateaux traditionnels de transport de marchandises qui jadis écumaient la Loire, mais finissent finalement par s'installer en 2004 dans l'ancienne gare de La Ménitré en Maine-et-Loire (49). Ils nomment la brasserie « La Piautre », désignant le gouvernail des fameuses gabares, en souvenir de leur intention initiale. En 2014, dans le but de s'affranchir des malteries industrielles et de se rapprocher de leur produit, la Piautre lance sa micromalterie. En 2017 s'ajoute un nouveau produit à la gamme de la Piautre : le Whisky !
Aujourd'hui, quatre personnes constituent l'équipe, Amélie, David, Michel et Vincent, et il se pourrait bien qu'une cinquième personne rejoigne les rangs car, entre les bières et le whisky, le travail ne manque pas, tout comme la demande  !

Un projet axé sur l'écologie et le local :
Tout au long du projet, une attention particulière a été portée sur l'aspect local de la production et de la vente. Le malt, ingrédient de base des bières et du whisky, est produit sur place à partir d'orge biologique produite par des paysans angevins, tous situés à moins de 30 km de la brasserie. Ceci concerne aussi la vente de bière dont 90 % est vendue dans le même rayon (principalement sur Angers).
La Piautre fait également attention à sa consommation d'eau, d'énergie et sa production d’effluents. À titre d'exemple, les drèches sont récupérées par un agriculteur voisin de la brasserie, les sous produits du whisky sont stockés dans un wagon citerne en vue d'être utilisés en bio méthanisation et la brasserie envisage à l'avenir de se tourner vers des systèmes de production de chaleur fonctionnant au bois plutôt qu'à l'électricité.

la production de malt :
L'installation permet de malter 3 tonnes par semaine (par lot de une tonne). Aujourd'hui, la production annuelle est de 90 tonnes, répartie sur 30 semaines au cours de l'année et concentrée pendant la saison hivernale. La quasi totalité du malt est destinée à leur propre production de bière et de whisky. Pour la bière, la malterie leur permet d'être autonome en malt blond (85 % de leur consommation) mais ne permet pas la production de malt spéciaux pour lesquels ils se fournissent auprès de la malterie du château. Le malt à whisky (fumé à la tourbe) est également produit au sein de la malterie.

La production de bière et de whisky :

Actuellement, la Piautre a une production annuelle de 2100 hectolitres, réalisée par brassin de 1800 litres environ 3-4 fois par semaine.
En ce qui concerne le whisky, la distillation du moût, était initialement réalisée en partenariat avec Gilles Boudier, bouilleur de cru distillant au feu de bois. Aujourd'hui, la brasserie s'est équipée d'un alambic de 2500 litres équipé d'un brûleur fonctionnant avec des granulés bois et conçu pour pouvoir être utilisé en brasserie comme cuve d'ébullition (permettant ainsi de réaliser des doubles brassins). L'eau de vie produite par distillation est ensuite vieillie en fûts de Côteaux de l’Aubance pendant au moins 3 ans.
La brasserie ne tourne pas à pleine capacité et pourrait multiplier les brassins pour produire plus de moût. Cela dit, il serait alors nécessaire d'augmenter le nombre de fermenteurs, en particulier si la décision est prise de développer d'avantage le whisky. Actuellement, la brasserie dispose de quatre fermenteurs de 40 hl, quatre de 20 hl et de quatre cuves de garde.

Commercialisation :
La moitié de la production est mise en fûts et destinée aux événements, aux bars du coin et aux associations. L'autre moitié est mise en bouteilles et vendue auprès de quelques grandes surfaces locales, en vente directe à la brasserie, dans le réseau Biocoop et auprès de quelques grossistes.


Construction de la malterie


Le modèle de Malt Fabrique

La Bretagne est devenue une terre de brasseries et le phénomène ne cesse de s'accroître. Pourtant, il n'existe pour les petites brasseries que peu d'alternatives aux malteries industrielles pour s'approvisionner en malt. Partant de ce constat et de la nécessité de relocaliser la production, Emmanuel Faucillon, lance au début des années 2000 la première malterie artisanale de France : Malt Fabrique.
Après avoir appris comment produire du malt de manière artisanale, Manu se lance dans la conception et l'autoconstruction d'une petite unité de maltage. Principalement constituée d'éléments de récup, celle-ci ne nécessite pas d'investissements trop importants et permet de réaliser du malt de qualité, à condition de savoir ce que l'on fait. En effet, contrairement à certaines idées reçues, la malterie est un métier à part entière qui nécessite expérience et savoir faire, et ce, en particulier avec du matériel qui n'est pas à la pointe de la technologie (celle-ci pouvant parfois pallier aux lacunes humaines).
Avec l'apparition de micro brasseries et de paysans brasseurs, l'idée d'une relocalisation des filières brassicoles a fait du chemin et concerne l'ensemble du territoire français. Ainsi, ces dernières années, Manu a vu défiler un bon nombre de micro malteurs en devenir et de paysans brasseurs ayant le désir de monter des petites unités de maltage en se basant sur son modèle.
Vincent de la Piautre fait également partie des personnes ayant été formées auprès de Manu, sa malterie étant la réplication de son modèle la plus aboutie que nous ayons pu rencontrer.
D'autres malteries autoconstruites par des paysans brasseurs sur base des idées de Manu ont été décrites dans nos chroniques et sont consultables en cliquant sur les liens suivants :
- La malterie-brasserie de l'Ale'Ouët
- La Ferme brasserie Deluge
Généralités

La malterie de la Piautre est située dans un bâtiment distinct du reste de la brasserie-distillerie (voir photo ci-dessous) et a été essentiellement autoconstruite avec un maximum de matériaux de récupération. Elle comprend une cuve de trempe, une aire de germination, une touraille et une série d'éléments permettant le traitement du malt post touraillage.
La construction de la malterie ne s'est pas faite en un jour et a continuellement évoluée en passant d'un système entièrement manuel à sa version actuelle semi automatisée. Les deux savoir faire indispensables à sa réalisation ont été l'électromécanique et la soudure inox. Étant donné l'importance de cette dernière a tous les niveaux de la brasserie, La Piautre a pris la décision d'embaucher ancien soudeur professionnel : Gérard. Celui-ci a fortement contribué à la mise en place de la malterie et réalise toutes les réparations et constructions inox de la brasserie.
La malterie.jpg
La malterie.jpg (1.02 Mio) Consulté 7917 fois
La Trempe

La cuve permet de contenir une tonne de grain et les 1000 litres d'eau nécessaires pour l'immerger (1 litre d'eau/kg de grain). Il s'agit d'une cuve en forme de cône décentrée sur laquelle quelques modification ont été apportées (voir photo 1) :
- une grille a été placée au niveau du pied de cuve pour permettre de vider l'eau et non le grain
- une porte a été rajoutée au bas de la cuve pour pouvoir déverser le grain en fin de trempe
- la cuve a été mise sur roulettes pour pouvoir déverser le grain directement en place au niveau de l'aire de germination
- la réserve d'eau nécessaire aux trempes est contenue dans des tonnes à eau (une pour chaque trempe) qui sont positionnées au dessus de la cuve (voir photo 1).

Mode opératoire : les cycles de trempage mis en œuvre à la Piautre (alternance de phases sous eau puis sous air) varient selon la saison et donc selon la température de l'eau. La règle générale est de fonctionner en 3 trempes permettant d'immerger le grain 24h sur une période de 2 jours.

Automatisation : initialement toutes les étapes (apport et purge de l'eau) étaient réalisées manuellement. Ceci impliquait d'être présent quasiment en permanence dans la brasserie. Pour s'éviter cette charge, ils ont fait appel à un électricien pour mettre en place un système d'automatisation. Des électrovannes présentent au niveau du pied de cuve (pour les purges) et des tonnes à eau (pour les apports d'eau) sont contrôlées par un panneau central qui permet de réaliser n'importe quel programme de trempage (voir photo 2). Une pompe a également été intégrée au système pour faire recirculer depuis le bas vers le haut de la cuve durant les phases sous eau (voir photo 3).
Cuve de trempe.jpg
Cuve de trempe.jpg (1.2 Mio) Consulté 7917 fois
Améliorations éventuelles :
Afin de ne plus être tributaire de la température de l'eau (variant selon les saisons), ils ont le projet d'installer un système permettant son contrôle en détournant un chauffe-eau solaire de son utilisation initiale. Le chauffe eau solaire est un système alimentant un cumulus avec de l'eau chauffée par des panneaux solaires thermiques. Le cumulus est muni de résistances électriques permettant de chauffer l'eau en l'absence de soleil. Leur idée est de remplacer les panneaux solaires par un tank à lait muni de son groupe froid. Celui ci pourra donc répondre à la demande en eau froide et les résistances du cumulus à la demande en eau chaude.

Coût global :
- Installation initiale (sans automatisation) : environ 3000 €
- Installation automatisée : environ 6000 €
- Installation automatisée avec contrôle de la température (à venir) : 9000 €

La Germination

En sortie de trempe, le grain est évacuer de la cuve par la porte et réparti sur l'aire de germination en avançant progressivement grâce à la cuve montée sur roulettes. L'aire de germination consiste en une grande pièce avec une dalle en béton lissé munie de caniveaux. Des ventilations ont été installées pour apporter de l'air frais et le plafond a été isolé. Elle permet d'étendre deux lots d'une tonne, ce qui permet de malter 3 tonnes par semaine.
Aire de germination.jpg
Aire de germination.jpg (1.14 Mio) Consulté 7917 fois
La germination dure 4 - 5 jours en moyenne en fonction de la température de l'air ambiant, laquelle peut varier fortement en fonction des saisons. Le principal inconvénient du maltage sur aire est la gestion de la température de la couche de grain, laquelle ne devrait idéalement pas dépasser les 15 °C. Il est possible d'influer sur cette température en jouant sur l'épaisseur de la couche de grains (30 cm environ) et sur le nombre de retournements mais durant la saison chaude il devient difficile de conduire correctement la germination. Une chaleur trop élevée durant la germination peut engendrer l'apparition de moisissures ayant un effet néfaste sur la qualité du malt produit. Au contraire, une température trop basse diminuera la vitesse de germination mais impactera moins la qualité du malt. C'est pourquoi le maltage est effectuer en hiver dans la mesure du possible.

Comme dans les autres malteries s'inspirant de Malt Fabrique, le retournement du grain est effectué grâce à une motobineuse électrique. Celle-ci a été modifiée par Gérard pour être mieux adaptée à cet usage particulier (voir illustration) :
- Initialement prévue pour fonctionner en avançant, les poignées ont été retournées pour pouvoir utiliser l'outil à reculons, et ainsi, permettre de ne pas marcher sur le malt déjà retourner (1).
- Deux hélices de binage ont été ajoutées sur l'axe rotatif afin d'augmenter l'efficacité de l'outil (2)
- Des disques ont été installés aux extrémités (3), ils font office de roues et permettent de diminuer les projections de grains. Le centre de chaque disque a été soudé au niveau de l'axe rotatif et le contour est repris en 4 points au niveau des hélices. 2 points sont reliés par des tiges inox (4) et 2 points sont reliés par des lames inox, lesquelles permettent d'aider au retournement du grain (5)
- Une butée à l'arrière qui permettant de maintenir l'outil en position « debout » lorsqu'il n'est pas utilisé (6) et une butée à l'avant permettant que les hélices ne touchent pas le béton lorsque l'outil est trop incliné en avant (7). Les butées lesquelles sont reliées par un axe courbé central (8) sur lequel repose l'outil en plus des roues.
motobineuse.jpg
motobineuse.jpg (1.06 Mio) Consulté 7917 fois
Et ici, une petite vidéo de l'outil en action :
A la fin de la phase de germination, en général le cinquième jour, le grain est transporté vers la touraille. Pour faciliter cette opération fastidieuse, le transport des grains s'effectue grâce à une vis sans fin partant d'une petite fosse aménagée dans la dalle à l'extrémité de l'aire de germination. Il reste juste à pousser le grain dans la fosse pour alimenter la vis. Une grille inox a été installée pour éviter les accidents lorsque la fosse n'est pas utilisée. Représentant un nid à poussière difficile à nettoyer, un godet inox fabriqué sur mesure est mis en place dans la fosse au moment du transfert.
fosse et vis de transfert.jpg
fosse et vis de transfert.jpg (1.05 Mio) Consulté 7917 fois
Améliorations éventuelles :
La Piautre voit sont activité augmenter, il leur est donc nécessaire d'augmenter leur production de malt et ne peuvent plus se limiter à la période froide. Ainsi, ils envisagent de pouvoir refroidir l'air ambiant en séparant l'aire de germination du reste de la brasserie avec une cloison amovible en polycarbonate et en équipant la ventilation d'un aérotherme refroidi au moyen d'un tank à lait.

Coûts :
- dalle : environ 5000 €
- vis sans fin : environ 200 €
- petits aménagements divers : prix de l'inox + salaire de Gérard
- motobineuse : ?

Touraillage

La touraille a été totalement autoconstruite par l'équipe de la Piautre et permet de produire du malt blond par lot de une tonne. Elle se compose d'une soufflerie, d'un séchoir et d'un échangeur thermique permettant de limiter les pertes de chaleur. Le séchage est réalisé à 50 °C et le touraillage est effectué en montant la température progressivement jusque 85°C.
photo touraille.jpg
photo touraille.jpg (1.06 Mio) Consulté 7917 fois
Construction :
Tout l'habillage a été réalisé avec des panneaux sandwich isolants en polyuréthane. Le système de soufflerie est constitué d'un ventilateur type escargot (P = 4 kW) et d'un chauffage d'atelier récupéré (aérotherme avec 2 résistances de 15 kW chacune). Le séchoir consiste en un caisson permettant de contenir le grain qui repose sur une grille, laissant ainsi un faux fond sous le grain dans lequel arrive l'air chauffé par la soufflerie (voir schéma plus bas).
Le contrôle de la température de l'air chaud est effectué grâce à une sonde de température installée dans le faux fond (juste sous la grille) et donne la consigne à l'aérotherme. Durant la phase de séchage le grain passe d'environ 40 à 5 % d'humidité. Afin d'évaluer où en est le séchage, une seconde sonde de température a été installée dans la partie supérieure du séchoir, (au dessus du malt), lorsque les deux sondes affichent la même température, le grain est sec.
L'échangeur thermique permet, durant le séchage du malt, de récupérer une partie de la chaleur de l'air chaud et humide sortant de la touraille au profit de l'air frais entrant (jusqu'à 30 % d'échange). Il est constitué de 3 étages contenant chacun 33 tubes en aluminium de 1 mètre de long et de 80 mm de diamètre.
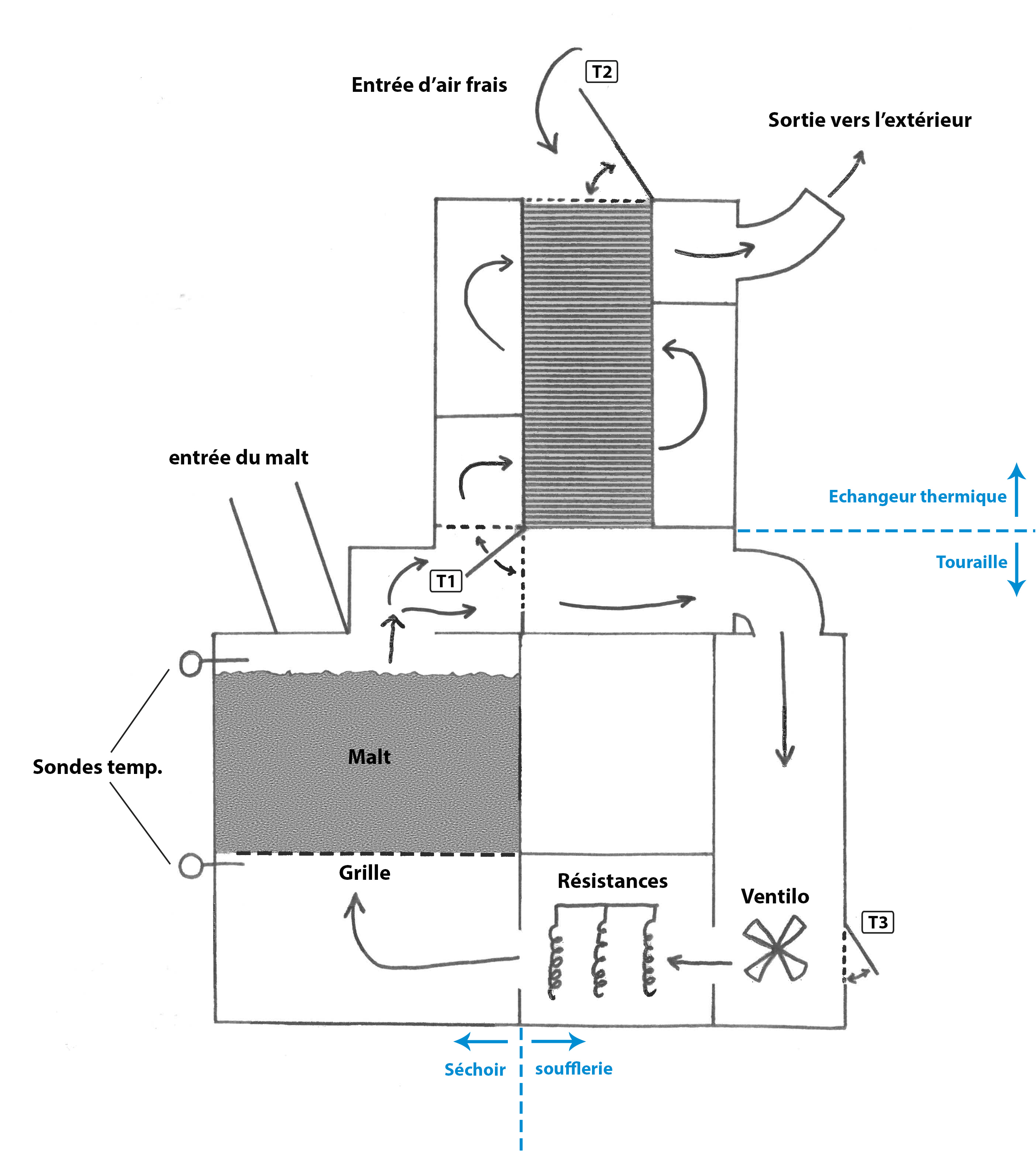
La touraille a été conçue pour permettre à l'air d'emprunter différents chemins en fonction de l'étape de touraillage, grâce à un système de trappes. Trois combinaisons de trappes différentes sont utilisées au cours du touraillage, l'illustration ci-dessous présente un schéma de la touraille et la position des 3 trappes (T1, T2 et T3).
schéma touraille.jpg
schéma touraille.jpg (1.2 Mio) Consulté 7917 fois
Combinaison 1 : séchage (T1 = verticale ; T2 = ouverte ; T3 = fermée)
Durant le séchage, l'air sortant du séchoir est envoyé vers l'échangeur thermique puis est évacué vers l'extérieur. De l'air frais entre au niveau de la T2 et chemine jusqu'au ventilateur. Au passage, il récupère une partie de la chaleur de l'air sortant en traversant les tuyaux d'aluminium.

Combinaison 2 : Coup de feu (T1 = horizontale ; T2 = fermée ; T3 = fermée)
Durant le coup de feu, l'air sortant du séchoir est directement renvoyé vers le ventilateur pour permettre de monter jusqu'à une température de 85 °C. A ce stade, l'air ressort sec du séchoir et n'a donc pas besoin d'être évacué vers l'extérieur.

Combinaison 3 : refroidissement (T1 = verticale ; T2 = fermée ; T3 = ouverte)
A la fin du touraillage, le malt est refroidi en envoyant de l'air frais. Pour éviter que l'air ne passe par l'échangeur thermique et ne soit réchauffé par les tuyaux d'aluminium, il entre par la T3 (et non plus par la T2) située au niveau du ventilateur et ressort au sommet de la touraille.

Automatisation : Anciennement, toutes les opérations étaient réalisées manuellement (modifications de température, ouvertures de trappes, etc). Cela nécessitait d'être présent presque tout le temps à la malterie. Pour pallier à ce problème, l'automatisation de la plupart des opérations au moyen d'un panneau de contrôle programmable a été réalisé par un intervenant extérieur.

Des solutions ergonomiques ont été apportées pour le chargement/déchargement de la touraille. Comme évoqué précédemment, le séchoir est chargé au moyen d'une vis sans fin partant de l'aire de germination. Celle-ci déverse les grains dans une chaussette qui les amène dans un « tourniquet répartisseur » avant de tomber sur la grille du séchoir. Le tourniquet est un bricolage de la Piautre et consiste en une trémie distribuant les grains dans un carrousel rotatif qui projette radialement les grains (voir illustration). Une fois encastré dans la gaine d'entrée du malt, il permet une meilleure répartition des grains dans le séchoir.
tourniquet.jpg
tourniquet.jpg (957.61 Kio) Consulté 7917 fois
En fin de touraillage, le malt est vidé grâce à une autre vis sans fin ce qui permet, par friction, de détacher les radicelles des grains. Ensuite, la vis est déversée dans un système de cyclone qui permet de séparer le grain des déchets (radicelles et poussières). Le grain est stocké dans un silo en bois en attente d'être brassé ou fumé/torréfié.
Silo et cyclone.jpg
Silo et cyclone.jpg (1.14 Mio) Consulté 7917 fois

Améliorations éventuelles :

la structure en panneaux sandwich ne supporte pas les fortes chaleurs car elle risquerait de fondre et de diffuser des gaz douteux. Ainsi, il n'est pas envisageable de monter au delà de 85°C et de produire autre chose que du malt blond.
Un système de brassage du grain durant le touraillage permettrait d'homogénéiser les processus de séchage et de réduire la consommation d'énergie.

Coûts global : 5000 € + 3000 € d'automatisation

Fumage

La Piautre produit un whisky constitué de 75 % de malt de blond et de 25 % de malt fumé à la tourbe. Pour ce faire, ils ont autoconstruit un petit fumoir, permettant de fumer/torréfier des lots de 50 kg de malt entre 100 et 150 °C. Le fumoir est constitué d'un ancien conteneur inox modifié :
- la partie avant du conteneur a été découpée afin d'en faire une porte,
- une grille a été installée dans la partie inférieure pour soutenir le malt et laisser passer la fumée,
- le feu de tourbe est fait dans un foyer réalisé avec une bonbonne de compresseur dont la porte donne sur le côté du fumoir et la buse dans le bas du conteneur, sous la grille,
- les côtés du fumoir on été isolés avec de la laine de verre et bardés avec du plancher,
- un thermomètre a été installé sous la grille pour contrôler la température des fumées,
- un extracteur d'air chaud a été ajouté sur le dessus du fumoir pour accélérer le tirage
fumoir.jpg
fumoir.jpg (923.09 Kio) Consulté 7917 fois
Pour en savoir plus :
- Site internet de la Piautre
Ces travaux de recensement bénéficient du soutien financier de l’Europe et du Réseau Rural National, par le biais de la Mobilisation Collective pour le Développement Rural coordonnée par l’Atelier Paysan sur "L’innovation par les Usages, un moteur pour l’agroécologie et les dynamiques rurales" (2015-2018), dont la FNCUMA, la FADEAR, l’InterAFOCG, AgroParisTech et le CIRAD sont partenaires.

Image
Répondre

Revenir à « Malterie »

Qui est en ligne ?

Utilisateurs parcourant ce forum : Aucun utilisateur inscrit et 1 invité